Skip to content
View in the app

A better way to browse. Learn more.

Thailand News and Discussion Forum | ASEANNOW

A full-screen app on your home screen with push notifications, badges and more.

To install this app on iOS and iPadOS
  1. Tap the Share icon in Safari
  2. Scroll the menu and tap Add to Home Screen.
  3. Tap Add in the top-right corner.
To install this app on Android
  1. Tap the 3-dot menu (⋮) in the top-right corner of the browser.
  2. Tap Add to Home screen or Install app.
  3. Confirm by tapping Install.

3 phase single phase. help needed crossy

Featured Replies

  • Author

OK.

No problem with multiple earth-neutral links PROVIDED they are all upstream of (before) the Safe-T-Cut (so the link in the consumer unit will need to be removed).

I would actually avoid N-E links anywhere downstream of the genset transfer switch (you need to verify that the genset is OK with N-E linked).

Your 3-phase water heaters account for the lack of two neutrals, others could be borrowed, bad practice.

Was just checking the heater wiring before I saw your reply.

There are 3 phases coming into the heaters and an earth wire. No neutral.

I checked the wiring diagram in the heater book and it shows the 3 incoming phases and an earth only, no neutral (earth connection shown as PE).

Wiring in the book is to terminals: L, L, L, PE

Could that be why the consumer unit in the house has the neutral tied to earth?

Would that also mean that I can't put in single phase water heaters if I wanted to as there is no neutral cable run to the heaters?

  • Replies 131
  • Views 8.7k
  • Created
  • Last Reply

Top Posters In This Topic

Posted Images

If you KEEP the 3-Phase Water Heaters, you're going to want to REMOVE THEM from the CU and run NEW WIRE and connect them to the MAINS WIRE (now running from the "EZC 100 B 60A breaker" to the Transfer Switch). They will then need a 3-Phase Safe-T-Cut. These 3-Phase heaters use Phase-Phase so don't require Neutral.

-or-

If you swap the 3-Phase Water Heaters OUT for 1-Phase Water Heaters, then you can use the current wire (in the CU) but repurposed to provide LOAD, NEUTRAL and GROUND (so long as the cables are properly marked on both ends with colored tape).

  • Author

If you KEEP the 3-Phase Water Heaters, you're going to want to REMOVE THEM from the CU and run NEW WIRE and connect them to the MAINS WIRE (now running from the "EZC 100 B 60A breaker" to the Transfer Switch). They will then need a 3-Phase Safe-T-Cut. These 3-Phase heaters use Phase-Phase so don't require Neutral.

-or-

If you swap the 3-Phase Water Heaters OUT for 1-Phase Water Heaters, then you can use the current wire (in the CU) but repurposed to provide LOAD, NEUTRAL and GROUND (so long as the cables are properly marked on both ends with colored tape).

Thanks RichCor,

Great repurposing. Just needed some brains to think of this solution.

  • Author

OK.

No problem with multiple earth-neutral links PROVIDED they are all upstream of (before) the Safe-T-Cut (so the link in the consumer unit will need to be removed).

I would actually avoid N-E links anywhere downstream of the genset transfer switch (you need to verify that the genset is OK with N-E linked).

Your 3-phase water heaters account for the lack of two neutrals, others could be borrowed, bad practice.

Was just checking the heater wiring before I saw your reply.

There are 3 phases coming into the heaters and an earth wire. No neutral.

I checked the wiring diagram in the heater book and it shows the 3 incoming phases and an earth only, no neutral (earth connection shown as PE).

Wiring in the book is to terminals: L, L, L, PE

Could that be why the consumer unit in the house has the neutral tied to earth?

Would that also mean that I can't put in single phase water heaters if I wanted to as there is no neutral cable run to the heaters?

Just picking up on what Crossy said about the 29 active and 23 neutrals not adding up.

The two three pole breakers to the hot water systems supply the three phases (6 wires), to the heaters.

There are no neutrals and two earths supplying the heaters as per the heater wiring diagram.

Wouldn't that mean that the 23 neutrals I counted is correct, as there are no neutrals to the heaters?

Please make me feel good and tell me this is correct and that I don't have to worry about neutral sharing?

If this is correct, then, as the consumer unit is wired blk, rd, bl, blk, rd, bl etc for the 36 breakers, and I get rid of the 3 phase water heaters and

install single phase heaters (repurposing the wiring), remove the strap between neutral and earth in the cu, then for the spare rd, bl, blk breakers,

can't I then install 3 seperate dil RDO's?

This would then get back to the original drawing installation that Crossy recommended and I drew up for the sparky (but he knew better), but without

the three seperate cu's.

Duh, yup ^^^, evidently one too many Chang affecting my maths abilities (which were never good anyway) :)

If you're still having a single-phase genset make sure the water heaters are on the phases it does not supply :)

"I don't want to know why you can't. I want to know how you can!"

  • Author

Duh, yup ^^^, evidently one too many Chang affecting my maths abilities (which were never good anyway) smile.png

If you're still having a single-phase genset make sure the water heaters are on the phases it does not supply smile.png

I wouldn't question your ability. thanks.

  • 2 weeks later...
  • Author

Been a busy couple of weeks, but still not got my main computer set up so no scanner or printer and no posted wiring diagram.

First of all, I had replies from Germany about modifying the 3 phase water heaters to single phase, and as members mentioned this is not an option. So swapping modules will not work.

Secondly, the sparky has had a fair bit of experience, and he was sure that single phase multi-point water heaters don't make hot enough water and three phase multi-point were the only ones to use. So no changing the 3 phase heaters for single phase heaters.

We installed the 3 phase Saftey-Cut (SC) above the CU. We had a long talk about installing the SC in a small CU but decided against it. The pix is of the SC installation.

We installed breakers near the water heaters as we were going to reposition the wires to the CU later.

Wired up the SC as per the manufacturer's specs. sheet, removed the link between neutral and ground in the CU and turned the SC on and connected the load. All good, no trips.

Now for the tricky bit: Threw the breakers for the hot water systems and ran temp. wires from the SC to the first of the AVR's. With no load the AVR worked and the SC did not trip. Looking a little bit good.

Ran the next phase from the SC to the second AVR, turned it on, and under no load the SC did not trip.

Connected load to the first and then the second AVR and the SC did not trip. We were all feeling fairly good by now.

Manually tripped the SC then re-set the SC but it kept tripping.

Once the SC was connected to the AVR's and they were on load, if the SC tripped it would not reset.

At least the SC is installed and working, and the few Thai wiring addittions to outside coloured lights etc have been protected with RCD's.

Thanks again for the help.

I have included some pics of the SC and the water heaters. Also in the pics are the results of demolition needed to repair leaks in the hot water system.

Be careful getting an 'expert' to install the green hot water piping, better do it yourself, as there are very few people who know how to do it properly.

Unfortunately when I had to leave the place for 3 months, and I made sure they understood to check the water system before they bricked and tiled it up, it just didn't happen.

post-207577-0-25914100-1430110253_thumb.post-207577-0-91471200-1430110276_thumb.post-207577-0-05687700-1430110291_thumb.post-207577-0-38786800-1430110308_thumb.

I suspect that the inrush to the AVRs when they power up on load is pulling the SC on over-current.

Is there any delay adjustment on the AVRs to allow then to power up and then connect the load?

If you trip the SC and then power up with the AVRs connected but their outputs off (no load) does it all come up OK when you switch on the loads? Possibly some delay relays on the outputs of the AVRs will do the trick.

"I don't want to know why you can't. I want to know how you can!"

  • Author

I suspect that the inrush to the AVRs when they power up on load is pulling the SC on over-current.

Is there any delay adjustment on the AVRs to allow then to power up and then connect the load?

If you trip the SC and then power up with the AVRs connected but their outputs off (no load) does it all come up OK when you switch on the loads? Possibly some delay relays on the outputs of the AVRs will do the trick.

Good points.

Now the SC is working the AVRs are on the back burner for a while. Will have another look later.

Will have to write to the AVR manufacturers as can't seem to find a wiring diagram for my AVR's on the internet.

The SC won't trip if I power up the AVR's first and then switch the loads on one at a time. I only tried 2 phases but suspect it would be the same if I had tried the 3 phases.

  • Author

They all told me it wouldn't work.

Now I have to shut my mouth and grin and find the problem.

So the Safety Cut (SC) is installed.

The electrician didn't think it would work, the wife and everyone else agreed with him.. 'It will keep tripping', and it does!

Before the sparky left he rewired the house pumps from the incoming mains before the SC as he said during rain this can be a problem. So the SC tripped the second day early in the morning.

The sparky or his off-sider had wired the bore pump and pump from the tank to a seperate RCD befoer the SC but the wiring of the tank switch, on/off for the tank pump was wired to short circuit the active when the tank was getting low in water.

The results were that the tank was empty as the bore pump would not come on and the house pump had been running all night with no water, and got all hot and bothered. In for repairs at moment.

So I fixed the problem.

'There you see, no more problems'... until 2 am the next night and trip again.

Went to Roiet and came back. The community power was all off and our SC had tripped again. The pumps on the the power before the SC and on their own RCD had not tripped.

So I have turned off the hot water heater breakers and will see what happens.

It's early days, but the SC seems to trip when there are storms around but not necessarily above us.

I thought when I counted the 23 active and 23 neutrals in my consumer unit I wouuld be OK.

So is the proceedure to keep turning off breakers and isolating circuits until the SC does not trip?

Is it possible that it could still trip with no load circuits connected because of the 3 phase input? Could voltage differences and spikes on a phase unbalance the curent flowing in the neutral and cause the trip?

  • Author

I just had a thought!

The mains 3 phase come into a breaker, then routed to bore and tank pumps on a 30 A RCD.

It also goes to the house thru a change-over switch to the SC and then to the consumer unit.

When the tank float switch operated and shorted out the phase to the pumps, the RCD on the pumps operated and also did the SC.

So inputs to the SC are causing it to trip.

The SC is a Safe-T-Cut Gold Special 3 phase model PR40-63A

I just wonder if this model has some other special features other than tripping from the RCD as it does mention RCD protection, Short protection and overload protection. May be they all do.

More likely the 'short' put current on a neutral or ground path of a circuit that is wired in after the SC, causing it to trip.

You may find you need to isolate all of your 'outdoor' circuits to their own common/separate Safe-T-Cut as outdoor and wet circuits tend to experience a lot of unexpected conditions.

Is your CU servicing both pre- and post- SC circuits? I'm confused on this.

And perhaps isolate your multipoint water heaters. They seem to spike a RCD for some reason - steam maybe? - otherwise don't know why but they do it.

  • Author

More likely the 'short' put current on a neutral or ground path of a circuit that is wired in after the SC, causing it to trip.

You may find you need to isolate all of your 'outdoor' circuits to their own common/separate Safe-T-Cut as outdoor and wet circuits tend to experience a lot of unexpected conditions.

Is your CU servicing both pre- and post- SC circuits? I'm confused on this.

The three phase mains from the lane come along the top of the driveway fence and into a metal box. Inside the metal box is a 3 pole breaker that the mains terminate in.

The neutral is tied to an earth spike and then the 4 wires run underground to a gen set transfer switch on the side of the house. There is another earth spike at the transfer switch before the wires enter the house. They then run thru the cavity inside the house to the Safety Cut and then to the consumer unit.

Before we put the SC in the bore and tank pumps were connected to a circuit on the CU.

When we installed the SC we ran the pumps from the main 3 pole breaker on the driveway fence to a RCD just used for the pumps.

So the CU is servicing pre- SC circuits, minus the pumps.

  • Author

Look for N-E shorts, look for any neutrals that get back to the neutral before the Safe-T-Cut.

Both will cause intermittent tripping.

All the neutrals for the house wiring are terminated in the CU.

Will have to think more about this. Thanks.

  • Author

And perhaps isolate your multipoint water heaters. They seem to spike a RCD for some reason - steam maybe? - otherwise don't know why but they do it.

Thanks.

Sorry for my slowness, but are you saying that multi-point water heater cause RCD tripping?

Sorry again, but have you just read this or had first-hand experience?

Since we threw the breakers for the water heaters, we have had no more trouble, but no big storms close by and no village loss of power.

We mounted breakers near the water heaters so we could reposition the wiring to the input of the SC if needed, and the way the mrs is behaving at the moment I think I'll just bypass the SC forever!

First hand. Our friend has a guest room and whenever the shower is a little too hot or too long (not sure which) it trips the RCBO. Fortunately, it's always at the end of the shower.

  • Author

First hand. Our friend has a guest room and whenever the shower is a little too hot or too long (not sure which) it trips the RCBO. Fortunately, it's always at the end of the shower.

Bugger! Thought I was on to something there.

Is the tripping RCBO the one on the hot water unit and not the Safe-T-Cut protecting all the house?

Our two units never trip when we have a shower, or when the visiting grand kids at Songkran had a bath (bit longer use of the water heater).

I'll have to keep looking, and thinking, but will keep the multi-point units switched off at the moment. Spose the mrs can stand a cold shower at the moment as it's only about 38 degrees.

As a non - electrician, I'd be a bit worried about the RCD tripping when they have a shower. May be a genuine fault trip.

It might be helpful if you kept a log of RCD or Safe-T-Cut trips

Date/Time

major appliances / motors running at the time

what was occurring just before it cut open

there may be a pattern

First hand. Our friend has a guest room and whenever the shower is a little too hot or too long (not sure which) it trips the RCBO. Fortunately, it's always at the end of the shower.

Bugger! Thought I was on to something there.

Is the tripping RCBO the one on the hot water unit and not the Safe-T-Cut protecting all the house?

Our two units never trip when we have a shower, or when the visiting grand kids at Songkran had a bath (bit longer use of the water heater).

I'll have to keep looking, and thinking, but will keep the multi-point units switched off at the moment. Spose the mrs can stand a cold shower at the moment as it's only about 38 degrees.

As a non - electrician, I'd be a bit worried about the RCD tripping when they have a shower. May be a genuine fault trip.

Yeah - the RCBO that trips is the whole house main breaker. So, a bit annoying when we visit and I take my shower. The first time it was like <deleted>? But, after narrowing down to the guest bath breaker, we just turn that off and wait 30 min or so and re-set.

  • Author

First hand. Our friend has a guest room and whenever the shower is a little too hot or too long (not sure which) it trips the RCBO. Fortunately, it's always at the end of the shower.

Bugger! Thought I was on to something there.

Is the tripping RCBO the one on the hot water unit and not the Safe-T-Cut protecting all the house?

Our two units never trip when we have a shower, or when the visiting grand kids at Songkran had a bath (bit longer use of the water heater).

I'll have to keep looking, and thinking, but will keep the multi-point units switched off at the moment. Spose the mrs can stand a cold shower at the moment as it's only about 38 degrees.

As a non - electrician, I'd be a bit worried about the RCD tripping when they have a shower. May be a genuine fault trip.

Yeah - the RCBO that trips is the whole house main breaker. So, a bit annoying when we visit and I take my shower. The first time it was like <deleted>? But, after narrowing down to the guest bath breaker, we just turn that off and wait 30 min or so and re-set.

Great. Thanks for that.

Since I turned off the multi-point heaters I have had no further trips, but the weather has not been too stormy around here at the moment and the village has not lost power since.

We'll be driving to Roi-et about 100 km away in the next couple of days, and it's sure to trip when we're away.

I ordered 3 of those MOV's to put in the consumer unit to hopefully help protect against power spikes from storms and we should be able to pick them up soon.

  • Author

Just had an email from the Lioa people Vietnam about my AVR's.

Their technical team informs me that I can' t connect 3 single phase AVR's to 3 phase incoming, I have to use a 3 phase AVR.

I suspect the response from Germany about installing 3 single phase AVR's feeding their 3 phase multi-point heaters will be the same.

Any one want to buy 3 single phase AVR's?

I'll bet you can ^^^ smile.png

But manufacturers are extremely coy about suggesting that you can do anything out of the ordinary with their products due to potential warranty / legal issues should something go wrong.

If you pop the lid on one of the units I'll bet that the incoming and outgoing neutrals are just connected together (possibly via the breaker).

No point feeding the water heaters from the AVR, they don't need it, just means you pay for an AVR that's far bigger than you need.

What sort of cash are you looking for? (each)

"I don't want to know why you can't. I want to know how you can!"

  • Author

I'll bet you can ^^^ smile.png

But manufacturers are extremely coy about suggesting that you can do anything out of the ordinary with their products due to potential warranty / legal issues should something go wrong.

If you pop the lid on one of the units I'll bet that the incoming and outgoing neutrals are just connected together (possibly via the breaker).

No point feeding the water heaters from the AVR, they don't need it, just means you pay for an AVR that's far bigger than you need.

What sort of cash are you looking for? (each)

Yeah the manufacturers are coy, but I think they could be correct.

The thing that has me wondering is that the single phase AVR's have one servo adjusting the transformer voltage to suppy the phase, but the 3 phase AVR's only have one servo motor as well.

Connecting these 3 servos or I suppose auto transformers could be the problem. Really need a circuit. Haven't taken the lid of yet.

It's very difficult to rewire the house without a lot of mess and the to get the water heaters repositioned, and the lovely off-sider has a real hate on her fellow tradesmen. Again, we've just had our garage built and, even after a lot of talking and marks on posts and cement levels all marked, the cement was 50 cm out. They're back today to fix it.

The bit about selling the AVR's was a bit of a joke. But I can sell if you want.

Going to order the Lioa SH3 30000 from Global House or Vietnam this week. Global House Rayong is where I bought two of the units.

On the Safe-T-Cut tripping.

The SC trips when the village power fails or blips. The houses on the main road still have power when our lane loses power, so it may be the phase supplying the houses about 50 m away on the main road is different to the phase supplying the village houses in the land where I get my power.

May be losing one phase of the 3 phase to the house trips the SC. Or there is a spike in voltage, or the SC sees it as an 'over voltage' before the village power fails.

A thought, how does the 3-phase AVR handle one phase being low voltage (a common issue here) if it has only one servo? Could be worth asking the manufacturer since they seem to be in a talkative mood.

I have little experience of 3-phase RCDs so I don't know how they behave with a phase lost or low, I think they ought to be OK as the vector sum of all the currents through the sensor will still be zero, but I will take advice on this from them as knows, I'll get back to you on that one.

"I don't want to know why you can't. I want to know how you can!"

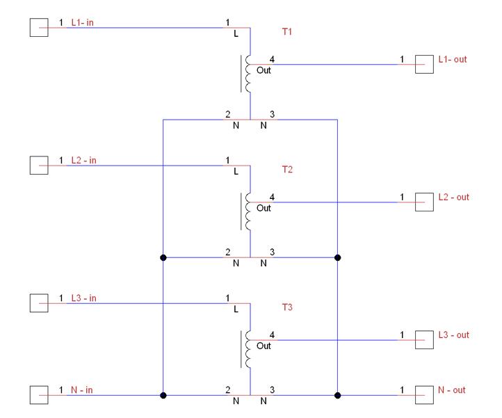
Any of our resident sparkies see any reason why connecting 3 single-phase AVRs like this shouldn't work. There's technically no need to link all the neutrals but it keeps everything neat.

post-14979-0-13353000-1430973677_thumb.j

Of course I'm making the (reasonable) assumption that the AVR passes the neutral straight through input to output.

But this needs to be verified on each AVR.

I had a portable AVR that actually passed live straight through and varied the tap connected to the neutral. I re-wired it still works just fine today.

"I don't want to know why you can't. I want to know how you can!"

  • Author

A thought, how does the 3-phase AVR handle one phase being low voltage (a common issue here) if it has only one servo? Could be worth asking the manufacturer since they seem to be in a talkative mood.

I have little experience of 3-phase RCDs so I don't know how they behave with a phase lost or low, I think they ought to be OK as the vector sum of all the currents through the sensor will still be zero, but I will take advice on this from them as knows, I'll get back to you on that one.

I had the same questions, and that's why I felt there was some difference between the single phase servo controlled unit and the 3 phase servo controlled unit.

May be there is a language translation problem? The information I read said the 3 phase AVR had a servo motor, maybe what it meant is 'has servo motors'.

I think that is probably correct, as it's hard to see how it works (as you have suggested) on a phase being low with only one motor.

Which brings back to the original question, why don't the 3 single phase units work and a 3 phase system?

I will email the supplier and ask questions.

Then take the lid off as you suggest, have a look at the neutral connection, and connect up the the units again on the incoming mains as a test and see what happens for myself.

Thanks again.

  • Author

Any of our resident sparkies see any reason why connecting 3 single-phase AVRs like this shouldn't work. There's technically no need to link all the neutrals but it keeps everything neat.

attachicon.gifAVR connection.jpg

Of course I'm making the (reasonable) assumption that the AVR passes the neutral straight through input to output.

But this needs to be verified on each AVR.

I had a portable AVR that actually passed live straight through and varied the tap connected to the neutral. I re-wired it still works just fine today.

Have attached the pictures of the AVR cover off.

Pix 1: Input phase power connection

Pix 2: Input phase power connection on bottom of pix with the input bus neutral strapped to the output bus. Yellow wire is from the input active and the white wire is attached to the neutral bus.

Pix 3: Output phase power connection

Pix 4: Output phase wire connections

Pix 5: Servo motor and yellow wire from input active to volt and amp meter. The white wire from the neutral also runs to a tap on the transformer

Pix 6: Yellow wire from the volt meter runs back to this tyroid (think I remember that's what it's called)

Pix 7: Bus connecting input and output showing the output

Pix 9: Looking at the unit with cover off.

Pix 10: Front of unit

post-207577-0-73566200-1430977888_thumb.post-207577-0-32811900-1430977902_thumb.post-207577-0-03210700-1430977918_thumb.post-207577-0-04192300-1430977931_thumb.post-207577-0-87808900-1430977947_thumb.post-207577-0-00008100-1430977969_thumb.post-207577-0-85749100-1430977984_thumb.post-207577-0-98260700-1430978000_thumb.post-207577-0-08458900-1430978018_thumb.post-207577-0-94060900-1430978036_thumb.

That's a pretty solid neutral strap there, I think we can conclude Neutral-in and Neutral-out are linked :)

I can see absolutely no reason why my connection scheme shouldn't work.

Time to hook it up and give it a go.

"I don't want to know why you can't. I want to know how you can!"

Create an account or sign in to comment

Recently Browsing 0

  • No registered users viewing this page.

Account

Navigation

Search

Search

Configure browser push notifications

Chrome (Android)
  1. Tap the lock icon next to the address bar.
  2. Tap Permissions → Notifications.
  3. Adjust your preference.
Chrome (Desktop)
  1. Click the padlock icon in the address bar.
  2. Select Site settings.
  3. Find Notifications and adjust your preference.