Skip to content
View in the app

A better way to browse. Learn more.

Thailand News and Discussion Forum | ASEANNOW

A full-screen app on your home screen with push notifications, badges and more.

To install this app on iOS and iPadOS
  1. Tap the Share icon in Safari
  2. Scroll the menu and tap Add to Home Screen.
  3. Tap Add in the top-right corner.
To install this app on Android
  1. Tap the 3-dot menu (⋮) in the top-right corner of the browser.
  2. Tap Add to Home screen or Install app.
  3. Confirm by tapping Install.

2013 Kawasaki Ninjette 250 Breaks Cover!

Featured Replies

a custom ecu to a custom pipe?

what do you waiting for mania?

just go forward!!!

  • Replies 612
  • Views 42.3k
  • Created
  • Last Reply

Top Posters In This Topic

Posted Images

a custom ecu to a custom pipe?

what do you waiting for mania?

just go forward!!!

Well like I said I see now there was good potential with just the pipe &

filter so it is tempting to try with a map etc.

But, still do not know of a pipe that sound is not too over the top.

Am looking around to see. Too bad though because I really thought that Devil

was a perfect size & angle for that size bike.

It looked "right" to me.

stock ninja 250 is nearly as loud as a ninja 650.

so i am not sure if you can find a quiet aftermarket pipe for it.

but devil looks good man.

  • 2 weeks later...

Almost should start a 2013 Ninja 250 mods thread but I dont think there are

many here who ride them except Macknife & I

I know a couple others like JonnyF also have a 250 though.

So will just use this older thread

I found a place in Bangkok called ego-racing

selling Hotbodies Dual Radius GP Windscreens

so tried one. Nice quality nice shape.

A little better protection but not much.

I only ever saw one other I liked but not for sale here

& that is the Zero Gravity Coras GP I think that one has a little better

tuck protection.

Will take actual pics later.

I have only phone pics now & poor quality

Here are some on their website

http://www.ego-racing.com/product/1047202/%E0%B8%8A%E0%B8%B4%E0%B8%A7%20Ninja250R%2008-13.html

I've never much liked the look of those black screens.

I've never much liked the look of those black screens.

Yeah they work on a few bikes but mostly I want function 1st ;)

The only thing that may be consider a benefit on smoked screens is they shield the gauges a bit

& may make they easier to read on the rare occasion that the sun is striking them just right thru the screen.

Also I have been having a talk with Kerry the president/owner of Area P No Limits in the USA.

We have been talking about his FI controller & he said should I decide to get one he would take a personal

interest in working with me on some maps as they have no Ninja 250 for 2013 in the USA being all 300's

So that is a tempting offer too.

mania, may I ask you please how Kerry will do the mapping for you, will you send your bike to him?

I think the 250 is different to the 300, since from the 2008 - 2012 you already have 3 different map-versions for the FI only.

And from the 300 the mapping from Europe to America isn't the same also.

mania, may I ask you please how Kerry will do the mapping for you, will you send your bike to him?

I think the 250 is different to the 300, since from the 2008 - 2012 you already have 3 different map-versions for the FI only.

And from the 300 the mapping from Europe to America isn't the same also.

No actually that is the tie in with Fuel Moto

Basically you allow access to your computer after uploading info

off the bike via the USB

Tell them what your needing or feel needs improving & they work

the map right there on your computer.

You may also do your own tinkering with the included with purchase software

if you feel so inclined or even just

describe what you need & they email you the map.

My problem will be pinpointing as no dynos are available in Chiangmai.

For some reason Big wing here says Honda only

Between the 300 & 250 here the biggest diff is a few mm of stroke & a slipper clutch.

Of course that changes things but still most FI vehicles can be improved upon thru tuning in this fashion

Even if you add nothing in the way of increased intake or exhaust flow you can clean up throttle response.

I have changed both intake & exhaust but am now back on stock exhaust while I look for something more to my taste db wise.

But yes with the less displacement torque/power curves etc will be slightly different.

I actually like the number on the 250 better in Bore x Stroke ratio & wish Kawasaki had instead increase bore

to get a 300. It would have retained a characteristic I look for in a bike.

The B/S ratio of the 250 is 150 & the 300 dropped to 126 because they increased stroke instead of bore.

Also dropped compression ratio from 11.3:1 to 10.6:1 & 28mm throttle bodies compared to 32's on 300

But I know many these days seek a more city type bike with more torque. I am just not one of them.

At least not in a 250/300/400cc bike

Anyway here is the exact quote from Area P's site & link

http://areapnolimits.com/products/Slip-On-Exhaust-Kawasaki-Ninja-300-2013.php

We have an extensive map support system and warranty that sets a new industry standard (the Micro Programmer comes with a two year warranty). For those who may not wish to experiment with the Tuning features included on the CD in the kit, you can simply contact us and explain what your particular bike is doing or not doing within your riding conditions and/or state-of-tune. We can then make changes to your specific map and e-mail it to you as part of our support system. Or, you can take advantage of our live “Offsite Tuning Support”. In simple terms, we can access/log onto to your computer that you have the map up on, and make adjustments in real time! This particular feature will be done through Fuel Moto and support will cover all Area P and Fuel Moto maps with purchase of the Micro Programmer.
  • Very small and easy to mount (1/3 smaller than a Dynojet PC-V)
  • Includes USB Cable, CD ROM Software, easy to follow instructions
  • Multiple Map Storage which can be switched on the unit
  • Computer and/or Faceplate Map adjustments
  • Pre-programming available for your specific modifications
  • Two Year Warranty
  • Map Support exclusively through Area P and Fuel Moto
  • Live Offsite Tuning Support (Fuel Moto only)

They just released their High Pipe exhaust & it looks pretty good too.

Sadly it loses the passenger pegs though smile.png

But it is really a top end pipe & gives up some middle which I rather keep myself.

Thank you for the quick reply mania. I understand and appreciate this very much.

For a better response in the middle you can look here: http://www.factorypro.com/prod_pages/prodk04.html (scroll down to RTR-KAW-5-05)

You can ask me how I know... (for the info, I have a 2011 and only my gas tank is standard everything else is changed or replaced)

I'm using the Leovince Fullsystem with the Leovince FAST Fuel-System and since there's no dyno here it took me almost more then 10 tanks full of fuel to find the best working mapping.

Also you should know that there is a difference with using benzene or gasohol, you can really feel it.

I'd also test a map from Bazzaz for the FI-250 they made in California - it's absolute crap here in LoS and made my Ninja slower then my Hayate.

And the original Leovince mapping made for Europe also didn't feel very powerful, but at least that's how it has to be, because the European mapping is another one then they use here.

For the easy understanding think about Germany is without speed limit and all other Countries have limited speed.

Hey thanks Gomyway that is some very interesting info about the ignition advance.

Regarding timing or ignition advance I know Power Commander has a module for theirs but

Area P chose not to go that route.

Here is a quote of the owners thinking on the matter...

Thanks again for the info & would love to see a pic of your bike too!

We normally stay away from altering timing on most modern street bike/street driven applications. It simply opens up too many possible bad scenarios of tune. Excessive timing can be the most frequent cause of detonation, which makes bad things happen to your engine (like when you start seeing aluminum speckles on your spark plugs...). It can also have a really obvious effect on performance in the wrong tuners hands. So we focus on A/F mapping in most cases, which will be based on the oem/stock ignition curve. We want to assure maximum reliability and longevity on street bikes.

That being said - on a Racebike, it's common that we may/will adjust the timing based on the compression, fuel being used (unleaded, leaded, oxygen content, octane, etc.) and so on, before we attempt to really get the baseline FI mapping we create to yield the optimum power output. But this also depends on so many things as well; how the rider utilizes the throttle, is he off/on, smooth, etc., and how long at full load/WOT. We can take more chances and experiment more; simply because we accept that we will be taking engines apart frequently to diagnose the results of our experimenting and the riders’ abuse of it wink.gif. This is where that delicate balance is of what we see on the Dyno, to what actually occurs on the race track.

Hi mania,

thank you for your interest in my bike.

So here's a picture of my Ninja. smile.png

post-179807-0-34433000-1372752035_thumb.

Hi mania,

thank you for your interest in my bike.

So here's a picture of my Ninja. smile.png

Wow !

Very Nice Gomyway !

mania which bike is yours, the red one?

Looks nice, what I would like to know is could you get the clip-ons under the triple clamp also?

That is one thing more I would like to do at mine, get them deeper. But therefore I have to change the fairings and I don't know a company for this.

Now I have them (the clip-ons from Woodcraft) installed 50mm deeper, 25mm more inside and 30mm more to the front then oem handles.

May I ask you a favor please? If so, would you please take a look in the manual of yours and tell me the timing of the new ones ignition?

Thank you very much and have a safe ride all times.

mania which bike is yours, the red one?

Looks nice, what I would like to know is could you get the clip-ons under the triple clamp also?

That is one thing more I would like to do at mine, get them deeper. But therefore I have to change the fairings and I don't know a company for this.

Now I have them (the clip-ons from Woodcraft) installed 50mm deeper, 25mm more inside and 30mm more to the front then oem handles.

May I ask you a favor please? If so, would you please take a look in the manual of yours and tell me the timing of the new ones ignition?

Thank you very much and have a safe ride all times.

Thanks & yes the red one but I have removed those clip ons & no they could not mount under the triple tree.

Also the overall design was not good/safe IMO as the bolt was single to lock the bar end to the main

Woodcraft does make some nice ones but they are about 7k. as far as I have seen here

But they come in various rises so good

The problem with the Mazrianos I had is I needed to drop the fork legs a good 3/4 inch which changed the handling

too much IMO

Timing on the new model ( My Thai reading is not great )

is I believe 10 degrees BTDC @ 1300 rpm & 39 degrees BTCD @ 4000 rpm

hope that helps...I think that is not much different than the older bikes right?

Hey when you have a chance list your mods here would be interesting to hear what you have done too.

besides this thread is slow wink.png

mania which bike is yours, the red one?

Looks nice, what I would like to know is could you get the clip-ons under the triple clamp also?

That is one thing more I would like to do at mine, get them deeper. But therefore I have to change the fairings and I don't know a company for this.

Now I have them (the clip-ons from Woodcraft) installed 50mm deeper, 25mm more inside and 30mm more to the front then oem handles.

May I ask you a favor please? If so, would you please take a look in the manual of yours and tell me the timing of the new ones ignition?

Thank you very much and have a safe ride all times.

Thanks & yes the red one but I have removed those clip ons & no they could not mount under the triple tree.

Also the overall design was not good/safe IMO as the bolt was single to lock the bar end to the main

Woodcraft does make some nice ones but they are about 7k. as far as I have seen here

But they come in various rises so good

The problem with the Mazrianos I had is I needed to drop the fork legs a good 3/4 inch which changed the handling

too much IMO

Timing on the new model ( My Thai reading is not great )

is I believe 10 degrees BTDC @ 1300 rpm & 39 degrees BTCD @ 4000 rpm

hope that helps...I think that is not much different than the older bikes right?

Hey when you have a chance list your mods here would be interesting to hear what you have done too.

besides this thread is slow wink.png

Wow mania, that was quick and thank you very much for this support.

The ignition timing is different, mine has also 10 degrees at 1,300 rpm but 38 degrees at 6,000 rpm plus 5 degrees advanced.

About the Woodcraft's for the Ninja you need this: Ninja 250R 37mm 2.5" Riser 7,550.0 - they mount under the triple tree.

And I also got the riser spacer - upload the picture for you. With them you're free to turn the clip-ons more backwards.

Also I upload a picture with all the mods I've done (please don't tell me I"m stupid),

Have a great day.

post-179807-0-86083900-1372845192_thumb.

post-179807-0-03011800-1372845301_thumb.

Hey Gomyway very nice mods you did there.

Very similar to what I would do myself as you addressed

all the important thing like suspension/braking & power in an orderly fashion

On the front I am getting ready to order some 80kg springs. rear suspension seems fine for now.

I was surprised by your swingarm!

I did not catch that when I looked at your bike pic but now see a nice extruded swingarm there. Very good

You make me jealous with those Brembo 2 & 4 pot calipers :)

If 15% is average diff between crank & rear wheel hp your doing good power to weight wise too.

Pretty much equal to the new 300 at 0.09

Well thanks for posting & the info on the woodcrafts

very nice to read what your running there

Hey Gomyway lets see a shot of the other side of your bike if

not too much trouble thumbsup.gif

Hi mania,

thank you for your interest in my bike.

So here's a picture of my Ninja. smile.png

nice mods. nice bike.

where is the swingarm coming from really?

Thank you for your kind words about my Ninja.

@loserlazer - Let me give you the answer to your question where I'd buy the swingarm: It's Mr. Nopparat from the Kawasaki Center in Chiang Mai.

mania, it's no prob to show you more pictures, I've made a complete description of all my mods (it's 150 pages now) which includes the pictures also.

I hope it's ok for you when it's always two pictures on one side, so i just take it from there.

On the third last picture you can see the Leovince Dynorun what says: 39 hp with mods at the airbox and 38 hp without mods.

I've investigated overall in world for informations about the Ninja and think now i got a lil bit bigger know-how.

Two more pictures for you to show what in power is possible. It shows a really 250 Ninja racebike from Italy and you can see the rpm limit at the 250 is higher then the 300 is (waht you, mania, already talked about).

Have a nice day and take good care.

post-179807-0-61778100-1372902871_thumb.

post-179807-0-47630900-1372902883_thumb.

post-179807-0-94176300-1372902893_thumb.

post-179807-0-78585600-1372902905_thumb.

post-179807-0-22745800-1372902919_thumb.

post-179807-0-84874800-1372902928_thumb.

post-179807-0-45820500-1372902945_thumb.

post-179807-0-39471200-1372902955_thumb.

post-179807-0-53992600-1372902961_thumb.

post-179807-0-30824400-1372902975_thumb.

post-179807-0-80440400-1372902985_thumb.

post-179807-0-30654100-1372902999_thumb.

post-179807-0-10677200-1372903009_thumb.

post-179807-0-25167100-1372903016_thumb.

post-179807-0-95168100-1372903024_thumb.

post-179807-0-12824100-1372903478_thumb.

post-179807-0-37059100-1372903498_thumb.

Wow very nice Gomy !

You have really done a clean job on that bike.

You know I never really looked at Koso display as this is my first

Ninja 250 & has the new display. But that Koso is a major improvement

on the stock 2011 display. Beautifully installed & looks perfect I really like it better than the

stock white gauges.

Now I see your swingarm clearly too & was mistaken originally about it being extruded in the 1st pic.

I see now it is a box section nicely done. Larger than the stock section but probably lighter/stiffer yes?

Very nice job on the whole bike!

Congrats

I can only say one word:

WOW!

Great mods man. I am sure you now every single inch of a ninja 250 and you love your bike.

And a great power gain.

I wonder if the swingarm can fit cbr250 as both bikes use nearly the same stock swingarm.

Sent from my GT-N7100 using Thaivisa Connect Thailand mobile app

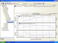
34.5 HP from a stock Ninja 250......?

The first I thought it's better not to answer on any post like this, but I think it's better to help you understand things better.

So I don't know from where you get those 34.5 HP?

When you calculate from crank to rwhp the loss is around 17% what would mean the from me given numbers for the rwhp are between 30.71 and 32.37 HP.

The oem 33 hp calculated by this 17% would mean rwhp is 27.39 hp what you can see on the attached picture. There they show 28.76 hp what depends on many factors and I'm sure you know that not every engine is the same (the spread can be up to 15% counted from low to high). Also it depends on the setup of the dyno itself and for sure the guy operating it.

post-179807-0-85615700-1373167083_thumb.

34.5 HP from a stock Ninja 250......?

The first I thought it's better not to answer on any post like this, but I think it's better to help you understand things better.

So I don't know from where you get those 34.5 HP?

When you calculate from crank to rwhp the loss is around 17% what would mean the from me given numbers for the rwhp are between 30.71 and 32.37 HP.

The oem 33 hp calculated by this 17% would mean rwhp is 27.39 hp what you can see on the attached picture. There they show 28.76 hp what depends on many factors and I'm sure you know that not every engine is the same (the spread can be up to 15% counted from low to high). Also it depends on the setup of the dyno itself and for sure the guy operating it.

usually when i see a (dyno) graph i think about rear wheel hp.

I like how they're trying to blame the FI system. The 250 never had this problem; although mine had a little abrupt fast idle to on power issue that was just an annoyance.

Sent from my GT-N7100 using Thaivisa Connect Thailand mobile app

34.5 HP from a stock Ninja 250......?

The first I thought it's better not to answer on any post like this, but I think it's better to help you understand things better.

So I don't know from where you get those 34.5 HP?

When you calculate from crank to rwhp the loss is around 17% what would mean the from me given numbers for the rwhp are between 30.71 and 32.37 HP.

The oem 33 hp calculated by this 17% would mean rwhp is 27.39 hp what you can see on the attached picture. There they show 28.76 hp what depends on many factors and I'm sure you know that not every engine is the same (the spread can be up to 15% counted from low to high). Also it depends on the setup of the dyno itself and for sure the guy operating it.

It is cute that you're trying to be condescending towards me in a mechanical engineering discussion...but seeing your post count I'll let it slide.

The 34.5 HP comes directly out of your post in the picture that lists 35 CV. Without being a bore that converts to 34.5 HP.

Claiming a real 25.5 to 26.9 recorded by a dyno is great; it lines up nicely with the results posted elsewhere on the net.

Sent from my GT-N7100 using Thaivisa Connect Thailand mobile app

I like how they're trying to blame the FI system. The 250 never had this problem; although mine had a little abrupt fast idle to on power issue that was just an annoyance.

Sent from my GT-N7100 using Thaivisa Connect Thailand mobile app

I have the new model and have had no stalling issues. I do however have the problem that many others seem to have. The right side fairing pops out about 5mm, where it meets the front fairing. I see that kawa have revised the fairings so this doesn't happen with newer made bikes, but that doesn't help me much. Had to use a zip tie under the fairing to keep it pulled in, still doesn't look perfect though.

Create an account or sign in to comment

Recently Browsing 0

  • No registered users viewing this page.

Account

Navigation

Search

Search

Configure browser push notifications

Chrome (Android)
  1. Tap the lock icon next to the address bar.
  2. Tap Permissions → Notifications.
  3. Adjust your preference.
Chrome (Desktop)
  1. Click the padlock icon in the address bar.
  2. Select Site settings.
  3. Find Notifications and adjust your preference.